Hva er et desorpsjonselektrolytisk system og hvorfor er det viktig for moderne gullutvinning

2026-04-21 - Legg igjen en melding

DeDesorpsjonselektrolytisk systemer en avgjørende teknologi i moderne gullutvinning, spesielt i karbon-i-masse (CIP) og karbon-i-utluting (CIL) prosesser. Denne bloggen utforsker hvordan systemet fungerer, dets komponenter, fordeler og hvorfor det har blitt en standard innen effektiv gullgjenvinning. Vi fremhever også hvordan bedrifter likerEPISKdriver innovasjon på dette feltet. Mot slutten vil du ha en omfattende forståelse av hvordan dette systemet øker produktiviteten, reduserer kostnadene og forbedrer utvinningsgraden.

Desorption Electrolytic System

Innholdsfortegnelse


Hva er et desorpsjonselektrolytisk system

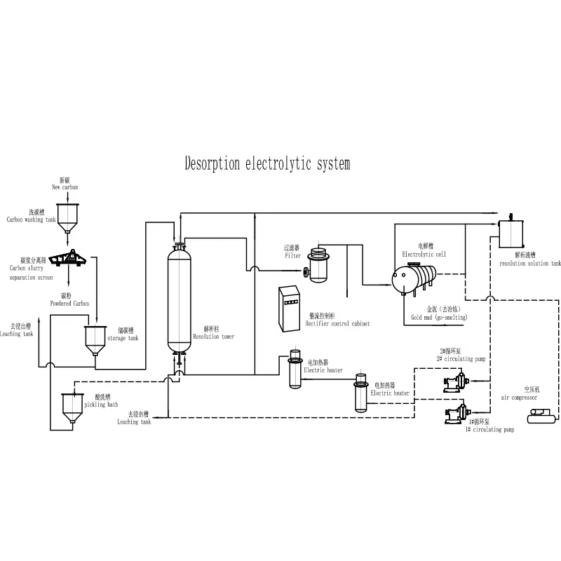
A Desorpsjonselektrolytisk systemer et avansert gullgjenvinningssystem som brukes til å utvinne gull fra aktivert karbon. Det er mye brukt i gruvedrift der gull absorberes på karbonpartikler under utlutingsprosessen.

  • Desorpsjon: Fjerner gull fra karbon ved hjelp av høytemperatur- og høytrykksløsninger
  • Elektrolyse: Gjenvinner gull fra løsningen til katoder
  • Closed-loop system: Sikrer effektivitet og minimalt tap

Dette systemet er avgjørende for å forbedre utvinningseffektiviteten og redusere driftskostnadene, noe som gjør det til en kjernekomponent i moderne gullbehandlingsanlegg.


Hvordan fungerer et desorpsjonselektrolytisk system

Arbeidsprinsippet til enDesorpsjonselektrolytisk systeminvolverer to hovedstadier:

  1. Desorpsjonsstadiet:Gullbelastet karbon behandles med en varm alkalisk cyanidløsning, og frigjør gullioner.
  2. Elektrolysestadium:Den gullrike løsningen passerer gjennom en elektrolysecelle hvor gull avsettes på stålullkatoder.

Prosessen sikrer høy effektivitet og gir mulighet for kontinuerlig drift, og det er derfor systemer fra selskaper somEPISKer mye brukt i industrielle applikasjoner.


Hovedkomponenter i systemet

Komponent Funksjon
Desorpsjonskolonne Holder på aktivt karbon og forenkler fjerning av gull
Elektrolytisk celle Gjenvinner gull gjennom elektrolyse
Varmeveksler Opprettholder ønsket temperatur
Filtersystem Fjerner urenheter fra løsningen
Kontrollsystem Automatiserer drift og overvåker parametere

Hver komponent spiller en viktig rolle for å sikre at systemet fungerer effektivt og konsekvent.


Tekniske fordeler og funksjoner

  • Høy gullutvinningsgrad (opptil 98%)
  • Lavt energiforbruk
  • Automatisert drift for reduserte arbeidskostnader
  • Kompakt design for plasseffektivitet
  • Miljøvennlig med minimale utslipp

Produsenter likerEPISKOptimaliser disse systemene kontinuerlig for å møte endrede industrikrav, for å sikre bedre ytelse og pålitelighet.


Søknader i gullbehandling

DeDesorpsjonselektrolytisk systemer mye brukt i:

  • Gullgruveanlegg
  • CIP (Carbon-in-Pulp) operasjoner
  • CIL (Carbon-in-Leach) prosesser
  • Gjenvinning av gullavfall

Dens allsidighet gjør den egnet for både storskala industriell gruvedrift og mindre operasjoner som søker effektivitetsforbedringer.


Sammenligning med tradisjonelle metoder

Trekk Desorpsjonselektrolytisk system Tradisjonelle metoder
Effektivitet Høy Moderat
Automasjon Helt automatisert Manuell eller halvautomatisk
Koste Lavere langsiktige kostnader Høyere driftskostnad
Miljøpåvirkning Lav Høyere

Det er klart at det moderne systemet gir betydelige fordeler i forhold til tradisjonelle gullgjenvinningsteknikker.


Utvalgsveiledning for kjøpere

Når du velger enDesorpsjonselektrolytisk system, vurder følgende faktorer:

  • Behandlingskapasitet
  • Automatiseringsnivå
  • Energieffektivitet
  • Produsentens omdømme (f.eks. EPIC)
  • Ettersalgsstøtte

Å velge riktig system sikrer langsiktig operasjonell suksess og maksimert avkastning på investeringen.


Vedlikeholds- og driftstips

  • Inspiser rørledninger og ventiler regelmessig
  • Overvåk temperatur- og trykknivåer
  • Rengjør elektrolyseceller med jevne mellomrom
  • Skift ut utslitte komponenter umiddelbart
  • Følg produsentens retningslinjer strengt

Riktig vedlikehold forlenger systemets levetid betydelig og sikrer jevn ytelse.


FAQ

1. Hva er hovedformålet med et desorpsjonselektrolytisk system?

Hovedformålet er å utvinne og gjenvinne gull fra aktivert karbon effektivt.

2. Hvor effektivt er systemet?

De fleste systemer oppnår en gullgjenvinningsgrad på over 95 %, avhengig av driftsforholdene.

3. Er systemet miljøvennlig?

Ja, moderne systemer er designet for å minimere utslipp og redusere kjemisk avfall.

4. Kan det tilpasses?

Ja, selskaper som EPIC tilbyr tilpassbare løsninger basert på behandlingskrav.

5. Hvilke bransjer bruker dette systemet?

Primært gullgruveindustrien, men også i utvinningsapplikasjoner for edelt metall.


Konklusjon

DeDesorpsjonselektrolytisk systemrepresenterer et gjennombrudd innen gullgjenvinningsteknologi, og tilbyr uovertruffen effektivitet, pålitelighet og miljøytelse. Med kontinuerlige fremskritt fra industriledere somEPISK, blir dette systemet stadig viktigere for moderne gruvedrift. Hvis du ønsker å optimalisere gullutvinningsprosessen og forbedre lønnsomheten, er investering i et system av høy kvalitet et smart valg.Kontakt ossi dag for å lære mer om hvordan vi kan tilby skreddersydde løsninger for dine behov.

Send forespørsel

X
Vi bruker informasjonskapsler for å gi deg en bedre nettleseropplevelse, analysere nettstedstrafikk og tilpasse innhold. Ved å bruke denne siden godtar du vår bruk av informasjonskapsler. Personvernerklæring