Desorpsjon elektrolytisk system
  • Desorpsjon elektrolytisk system Desorpsjon elektrolytisk system

Desorpsjon elektrolytisk system

Som en av den profesjonelle produsenten vil Epic gjerne gi deg høy kvalitet desorpsjon elektrolytisk system. Og vi vil tilby deg den beste tjenesten etter salg og rettidig levering.

Send forespørsel

produktbeskrivelse

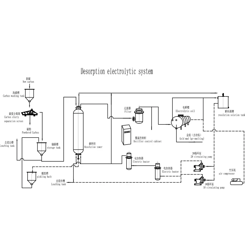
Epic er en dyktig produsent, og har som mål å tilby deg topp desorpsjon elektrolytisk system. Vi lover å gi deg den beste støtten etter salg og rask levering. Ved tilsetning av mer lett ved aktivert karbonadsorpsjons desorpsjonssystem for anion, så dermed AU (CN) 2 "erstatning, realiserer desorpsjonen av gull. Væsken oppnådd ved desorpsjon av gullbelastet karbon blir utvunnet ved ionisering for å oppnå fast gull. Utstyr karakteriatios

1, høy temperatur, høyt trykk, ingen cyanid, desorpsjon automatisk kontroll, med høy elficiency, bueforbruk, rask

Kjennetegn: 

A.Høy effektivitet: Når den gullbelastede karbonkvaliteten når 3000 g/t, kan desorpsjonshastigheten nå mer enn 96%, og den dårlige karbonkvaliteten kan omdesieres med 3-4 ganger sammenlignet med den konvensjonelle desorpsjonselektrolytisk

enhet:

B.Fast: Desorpsjon Elektrolysetemperatur kan være så høy som 150 ℃ (30-55 ℃ høyere enn andre modeller) systemarbeidstrykk opp til 0,5MPa (0,2-0,5MPa høyere enn andre modeller), så desorpsjon elektrolysetid er veldig rask, vanligvis 12 timer, forkortet nesten nesten 

3 ganger: C. Lav forbruk: Desorpsjon elektrolytisk temperatur er den samme, ingen varmeoverføring, på grunn av det raske arbeidet, så det totale strømforbruket er 1/2-1/4 i det konvensjonelle systemet.

2. Ingen cyanid: Desorpsjonsløsning trenger ikke å legge til natriumcyanid, lave kostnader, ingen forurensning:

3, høykvalitets gull gjørme, ingen grunn til å reversere elektrolyse, enkel ekstraksjon;

4, Automatisk kontroll: Sett spesielt kontrollsystemet for flytende nivå, temperaturkontrollsystem og automatisk kontrollsystem;

5, Sikkerhet: Med trippel sikkerhetsbeskyttelsestiltak, nemlig systemet i seg selv intelligente, autoratiske trykkbegrensende trykkfrigjøringsmekanisme, forsikringssikkerhetsventil.

Hot Tags: Desorpsjon elektrolytisk system
Send forespørsel
Gi gjerne din forespørsel i skjemaet nedenfor. Vi svarer deg innen 24 timer.
X
Vi bruker informasjonskapsler for å gi deg en bedre nettleseropplevelse, analysere nettstedstrafikk og tilpasse innhold. Ved å bruke denne siden godtar du vår bruk av informasjonskapsler. Personvernerklæring